振動傳感器 2020-06-01 14:13 2235 0
聲音傳感器又可稱之為聲敏傳感器,它是一種在氣體液體或固體中傳播的機械振動轉換成電信號的器件或裝置。它采用接觸或非接觸的方式檢測信號。聲敏傳感器的種類很多,按測量原理可分為壓電、電致伸縮效應、電磁感應、靜電效應和磁致伸縮等等。本次作業我想就電容式聲敏傳感器中的一種也就是電容式駐極體話筒做個簡單的介紹。
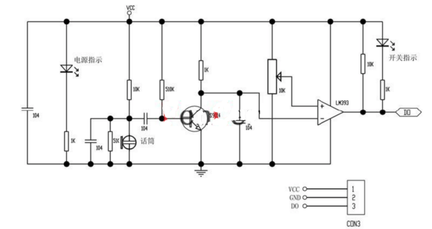
1可以檢測周圍環境的聲音強度,使用注意:此傳感器只能識別聲音的有無(根據震動原理)不能識別聲音的大小或者特定頻率的聲音2靈敏度可調(圖中藍色數字電位器調節)3工作電壓3.3V-5V
5輸出形式數字開關量輸出(0和1高低電平)6設有固定螺栓孔,方便安裝7小板PCB尺寸:3.4cm*1.6cm
1VCC外接3.3V-5V電壓(可以直接與5v單片機和3.3v單片機相連)
2GND外接GND
3DO小板數字量輸出接口(0和1)

1聲音模塊對環境聲音強度最敏感,一般用來檢測周圍環境的聲音強度。
2模塊在環境聲音強度達不到設定閾值時,DO口輸出高電平,當外界環境聲音強度超過設定閾值時,模塊D0輸出低電平;
3小板數字量輸出D0可以與單片機直接相連,通過單片機來檢測高低電平,由此來檢測環境的聲音;
4小板數字量輸出DO可以直接驅動本店繼電器模塊,由此可以組成一個聲控開關;
使用本店51開發板與聲音模塊測試
接線說明:
模塊VCC接開發板VCC
模塊GND接開發板GND
接好VCC和GND,模塊電源指示燈會亮
將模塊放置有安靜環境下,調節板上藍色電位器,直到板上開關指示燈亮,然后往回微調,直到開關指示燈滅,然后在傳感器附近產生一個聲音(如擊掌),開關指示燈再會到點亮狀態。這個現象就是說明,聲音可以觸發模塊,從而使開關指示燈點亮。
另外資料里面附帶一個51程序,用來檢測聲音模塊數字接口D0的高低電平
接線:
模塊VCC接開發板VCC
模塊GND接開發板GND
模塊D0接開發板P0.1
單片機:STC89C52
串口發送數據波特率:9600
現象:模塊有聲音觸發,串口不斷發送01,同時開關指示燈亮;
模塊無聲音觸發,串口不發送數據,同時開關指示燈滅。
2020年11月5日-10日,國家會展中心(上海),智能及高端裝備展區,4.1B3-002• 以“創變每一天”為主題亮相進博會,全面展示
2020-10-19 1889 0
10月16日,以“網融萬物,智向未來”為主題的中國國際信息通信展覽會在北京國家會議中心如期舉行,由工業和信息化部主辦的2020工業互聯網創新大會同期召開
2020-10-19 1799 0
由智能制造發展與應用大會(SMAS)主辦,儒拉瑪特自動化技術(蘇州)有限公司承辦,DUSA協辦的智能制造行業盛會—“第三屆智能制造發展與應用大會&rdq
2020-10-19 1955 0
在國家最需要的時候,新松人敢于亮劍,承擔國之重任,為中國實業代言。正如總裁曲道奎所言:新松接到任務的那一刻起,我們就簽下了榮譽生死狀,“代表中國出場,只能成功,不能
2020-10-19 1943 0
作為智能城市的重要組成部分,智慧社區建設正隨著人工智能、大數據、互聯網等高新技術的發展而不斷提速,很多基于智慧物業平臺的服務相繼出現,智能門禁系統開始普及。01智能門禁系統,是
2020-10-19 1805 0
2020年10月16日,中國北京——由工業和信息化部主辦,被譽為“ICT領域的達沃斯”的ICT中國2020高層論壇在北京國家會議
2020-10-19 1861 0
本文暫時沒有評論,來添加一個吧(●'?'●)